Dó trầm có tên khoa học: Aquilaria crassna Pierre ex Lecomte, thuộc họ Trầm (Thymelaeaceae). Trên thế giới hiện nay có tất cả 25 loài, phân bố chủ yếu ở khu vực nhiệt đới từ Ấn Độ đến Đông Nam Á và Nam Trung Quốc. Ở nước ta, Dó trầm phân bố ở nhiều nơi nhưng nhiều nhất là miền Trung như Hà Tĩnh, Quảng Nam, Kontum. Tinh dầu trầm hương được chiết xuất từ thân gỗ của cây, hàm lượng tinh dầu trong cây được cấy tạo nhiều hơn trong cây chưa cấy tạo. Thông thường khoảng 1 - 3 ‰ theo khối lượng khô. So với các loại tinh dầu khác, giá trị kinh tế của tinh dầu trầm hương rất cao. Giá bán dao động khoảng 10.000 - 20.000 USD/lít. Thị trường tiêu thụ chủ yếu là Mỹ, các nước Trung Đông và Đông Nam Á.
Hiện nay, việc phát triển vùng trồng của cây Dó trầm là khá lớn. Với diện tích tạm tính khoảng 25.000 – 30.000 ha trong cả nước thì ước tính có nhiều ngàn tấn gỗ cần được khai thác trong thời gian tới. Với đặc điểm là loại gỗ xốp nhẹ, nhiệt trị thấp vì vậy giá trị kinh tế của cây Dó rất thấp khi sử dụng trong các lĩnh vực khác ngoài lĩnh vực tạo ra sản phẩm Trầm hương và tinh dầu Trầm.
Viện Công nghệ hóa học trực thuộc Viện Hàn lâm Khoa học và Công nghệ Việt Nam đã thực hiện Dự án sản xuất thử - thử nghiệm: "Hoàn thiện công nghệ và chế tạo thiết bị phục vụ sản xuất tinh dầu Trầm dung tích 50 lít”. Kết quả thu được là đã nghiên cứu và phát triển thành công công nghệ chiết xuất tiên tiến hiện đại, ứng dụng vào trích ly các sản phẩm tinh dầu quý của Việt Nam, nổi bật là chiết xuất tinh dầu Trầm từ cây Dó, góp thêm một công nghệ mới vào phát triển lĩnh vực chiết xuất các hợp chất thiên nhiên.

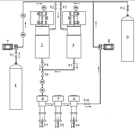
Công nghệ sử dụng carbon dioxid ở trạng thái siêu tới hạn để chiết tinh dầu là phương pháp đang được phát triển mạnh mẽ vì một số ưu điểm như sử dụng dung môi CO2 không độc, giá rẻ và bị loại nhanh chóng vì dung môi CO2 khi ở áp suất thường sẽ bốc hơi để lại tinh dầu mà không để lại cặn độc như trong dung môi cổ điển. Công nghệ trích ly bằng CO2 siêu tới hạn giúp cho tinh dầu có chất lượng cao hơn vì quá trình chiết không sử dụng nhiệt độ như các phương pháp khác, thời gian chiết nhanh, vì vậy thành phần các hoạt chất ít bị thay đổi, tinh dầu giữ được mùi vị và thành phần thiên nhiên.

Theo nghiên cứu tìm hiểu thực tế, các nhà khoa học đánh giá công nghệ này là một trong những giải pháp mang tính đột phá để có thể giải quyết được bài toán chiết xuất - một trong những bài toán nan giải và hết sức quan trọng trong chuỗi bài toán cần giải quyết của lĩnh vực này. Dự án đã đạt được quy mô phát triển công nghiệp và đã được chuyển giao cho doanh nghiệp theo hợp đồng chuyển giao công nghệ số 09/2011.VCNHH.
Nguồn: http://www.vast.ac.vn/